Fenster
Balkontüren
Terrassentüren
Haustüren
Sonnenschutz
Zäune & Tore
Garagentore
Carports
Anmelden / Registrieren
Kontakt / Hilfe
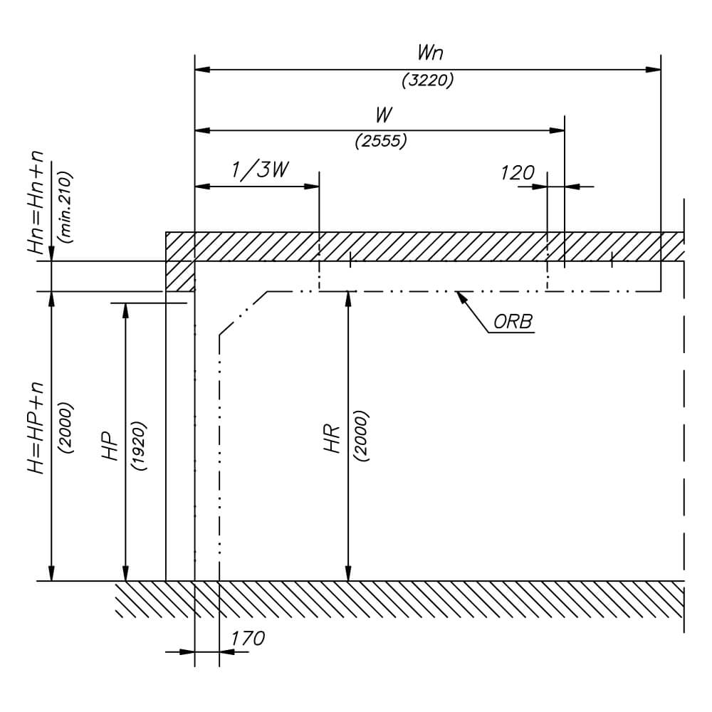
Auf dieser Seite finden Sie alle relevanten Maße und technischen Daten zu Ihrem gewünschten Garagentor. Informieren Sie sich im Voraus, ob Ihr gewähltes Tor die passenden Abmessungen besitzt. Garagentore mit Zugfedern oder Torsionsfedern hinten sind speziell für kleine Garagen geeignet. Die Detailzeichnungen geben Ihnen Aufschluss über den Aufbau des Tors. Hier können Sie die verschiedenen Hebesysteme im Detail miteinander vergleichen und das ideale Sektionaltor für Ihre Garage wählen.
Abkürzungsverzeichnis:
B = Breite der Wandöffnung ; H = Höhe der Wandöffnung ; ORB = Arbeitsgebiet des Tors ; b = Pfostenbreite rechts und links ; HW = Höhe vom Boden bis zur Achswelle ; W = Einbautiefe ohne Elektroantrieb ; Wn = Einbautiefe mit Elektroantrieb ; Hn = Sturzhöhe ohne Elektroantrieb ; Hn + n = Sturzhöhe mit Elektroantrieb ; Hn stand = maximale Sturzhöhe bei Verwendung der Standardaufhängungen ; HP = Durchfahrtshöhe ohne Elektroantrieb ; HP + n = Durchfahrtshöhe mit Elektroantrieb ; HR = Arbeitshöhe ; HZ = Höhe vom Boden bis zur Unterkante der horizontalen (waagerechten) Führung ; Q = Torblatt Gewicht in kg/m2








In der Tabelle finden Sie technische Informationen zu weiteren möglichen Abmessungen
| Abkürzung | Maximale/Minimale Abmessungen in mm | Beispielrechnung (Tor mit den Abmessungen 2500 x 2000 mm) |
|---|---|---|
| B | max. 4000 | 2500 |
| H | max. 2500 | 2000 |
| W | H + 500 | 2500 |
| b | min. 100 | 100 |
| Hn = Hn + n | min. 120 | 120 |
| Hn stand | 350 | - |
| HP | H - 150 | 1850 |
| HP + n | H - 30 | 1970 |
| HZ | H - 48 | 1952 |
| HR | HZ - 50 | 1902 |
| Wn | max. 3300 | 3300 |
| Q | max. 15 kg/m2 | 75 kg |








In der Tabelle finden Sie technische Informationen zu weiteren möglichen Abmessungen
| Abkürzung | Maximale/Minimale Abmessungen in mm | Beispielrechnung (Tor mit den Abmessungen 2500 x 2000 mm) |
|---|---|---|
| B | max. 6000 | 2500 |
| H | max. 3000 | 2000 |
| W | H + 555 | 2555 |
| b | min. 100 | 100 |
| Hn = Hn + n | min. 210 | 210 |
| Hn stand | 360 | - |
| HP | H - 80 | 1920 |
| HP + n | H | 2000 |
| HR | H | 2000 |
| HW | H + 142 | 2142 |
| HZ | H + 50 | 2050 |
| Wn | max. 4470 | 3220 |
| Q | max. 15 kg/m2 | 75 kg |








In der Tabelle finden Sie technische Informationen zu weiteren möglichen Abmessungen
| Abkürzung | Maximale/Minimale Abmessungen in mm | Beispielrechnung (Tor mit den Abmessungen 2500 x 2000 mm) |
|---|---|---|
| B | max. 5500 | 2500 |
| H | max. 3000 | 2000 |
| W | H + 625 | 2625 |
| b | min. 100 | 100 |
| Hn = Hn + n | min. 120 | 120 |
| Hn stand | 250 | - |
| HP = HP + n = HR | H - 100 | 1900 |
| HW | H + 29 | 2029 |
| HZ | H - 50 | 1950 |
| Wn | max. 4470 | 3220 |
| Q | max. 15 kg/m2 | 75 kg |
Bitte beachten Sie, dass es sich hierbei um Standardzeichnungen handelt. Wenn Sie vor dem Bestellvorgang genau wissen möchten, welche Profile, Modelle und Bauteile verbaut werden, kontaktieren Sie bitte unseren Kundenservice unter 0800 66 55 75 oder per E-Mail an info@fensterversand.at. Unsere Experten helfen Ihnen gerne bei der Konfiguration und beantworten Ihre Fragen zu unseren Produkten.
Hier finden Sie alle relevanten Maße und technischen Daten zu Ihrem gewünschten Garagen-Rolltor. Informieren Sie sich im Voraus, ob Ihr gewähltes Tor die passenden Abmessungen besitzt. Unsere Rolltore unterscheiden sich in der Montageart, je nachdem ob Sie das Tor innen oder außen an der Garage anbringen möchten. Die Detailzeichnungen geben Ihnen Aufschluss über den Aufbau des Tors. Hier können Sie die verschiedenen Typen im Detail miteinander vergleichen und das ideale Rolltor für Ihre Garage wählen.
Abkürzungsverzeichnis:
ORR = Arbeitsgebiet des Rolltors ; B = Öffnungsbreite ; H = Öffnungshöhe ; b = Pfostenbreite rechts und links ; bn = Anschlagsbreite von der Motorseite ; h = Höhe der Welletragplatte bzw. des Kastens ; Hn = Sturzhöhe ; HP = Durchfahrtshöhe ; HR = Arbeitshöhe ; HW = Höhe vom Boden bis zur Achswelle ; W = Einbautiefe ; H1 = Höhe vom Boden bis zut Oberkante der Tragkonstruktion ; Q = Torpanzer Gewicht in kg



In der Tabelle finden Sie technische Informationen zu weiteren möglichen Abmessungen
| Abkürzung | Maximale/Minimale Abmessungen in mm | Beispielrechnung (Tor mit den Abmessungen 3000 x 2500 mm) |
|---|---|---|
| B | max. 5750 | 3000 |
| H | max. 4125 | 2500 |
| Hn | min. 440 | 440 |
| h | 340 | 340 |
| W | 340 | 340 |
| b = bn | min. 240 | 240 |
| HP | H | 2500 |
| HR | H + 100 | 2600 |
| HW | H + 100 + h / 2 | 2770 |
| H1 | H + 440 | 2940 |
| Q | max. 110 kg | 45 kg |






In der Tabelle finden Sie technische Informationen zu weiteren möglichen Abmessungen
| Abkürzung | Maximale/Minimale Abmessungen in mm | Beispielrechnung (Tor mit den Abmessungen 2000 x 2500 mm) |
|---|---|---|
| B | max. 5750 | 3000 |
| H | max. 2750 / max. 4125 | 2000 |
| Hn | min. 320 / min. 370 | 300 |
| h | 340 | 340 |
| W | 300 / 360 | 300 |
| b | min. 100 | 100 |
| bn | min. 100 / 240* | --- |
| HP | H - 50 | 2450 |
| HR | H | 2500 |
| HW | H + 20 + h / 2 | 2670 |
| H1 | H + h | 2800 |
| Q | max. 110 kg | 55 kg |
Bitte beachten Sie, dass es sich hierbei um Standardzeichnungen handelt. Wenn Sie vor dem Bestellvorgang genau wissen möchten, welche Profile, Modelle und Bauteile verbaut werden, kontaktieren Sie bitte unseren Kundenservice unter 0800 66 55 75 oder per E-Mail an info@fensterversand.at. Unsere Experten helfen Ihnen gerne bei der Konfiguration und beantworten Ihre Fragen zu unseren Produkten.