Fenster
Balkontüren
Terrassentüren
Haustüren
Sonnenschutz
Zäune & Tore
Garagentore
Carports
Anmelden / Registrieren
Kontakt / Hilfe
Die unten angegebenen Uw-Werte beziehen sich auf die Prüfgröße. Als Prüfgröße bezeichnet man ein einflügliges Fenster mit einer Breite von 1230 mm und einer Höhe von 1480 mm. Alle Uw-Werte von deutschen Herstellern werden bei dieser Fenstergröße ermittelt. Wenn das Fenster kleiner wird, verschlechtert sich der Uw-Wert. Bei größeren Fenstern oder Balkontüren wird der Uw-Wert in der Regel besser.
Classic IV 68 und Rustikal IV 68
Classic IV 78 und Rustikal IV 78
Classic IV 92 und Rustikal IV 92
| Glas Ug-Wert W/(m²k) | Rahmen Uf-Wert W/(m²k) | Fenster Uw-WertIsolierglas-Randverbund Alu W/(m²k) | Fenster Uw-WertIsolierglas-Randverbund KSD W/(m²k) |
|---|---|---|---|
| 1,1 | 1,5 | 1,5 | 1,4 |
| 1,0 | 1,5 | 1,4 | 1,3 |
| 0,7 | 1,5 | In diesem System nicht möglich. | In diesem System nicht möglich. |
| 0,6 | 1,5 | In diesem System nicht möglich. | In diesem System nicht möglich. |
| Glas Ug-Wert W/(m²k) | Rahmen Uf-Wert W/(m²k) | Fenster Uw-WertIsolierglas-Randverbund Alu W/(m²k) | Fenster Uw-WertIsolierglas-Randverbund KSD W/(m²k) |
|---|---|---|---|
| 1,1 | 1,2 | 1,4 | 1,3 |
| 1,0 | 1,2 | 1,3 | 1,2 |
| 0,7 | 1,2 | In diesem System nicht möglich. | In diesem System nicht möglich. |
| 0,6 | 1,2 | In diesem System nicht möglich. | In diesem System nicht möglich. |
| Glas Ug-Wert W/(m²k) | Rahmen Uf-Wert W/(m²k) | Fenster Uw-WertIsolierglas-Randverbund Alu W/(m²k) | Fenster Uw-WertIsolierglas-Randverbund KSD W/(m²k) |
|---|---|---|---|
| 1,1 | 1,1 | 1,3 | 1,3 |
| 1,0 | 1,1 | 1,3 | 1,2 |
| 0,7 | 1,1 | In diesem System nicht möglich. | In diesem System nicht möglich. |
| 0,6 | 1,1 | In diesem System nicht möglich. | In diesem System nicht möglich. |

Classic IV 68 - Profilschnitt

Rustikal IV 68 - Profilschnitt
| Glas Ug-Wert W/(m²k) | Rahmen Uf-Wert W/(m²k) | Fenster Uw-WertIsolierglas-Randverbund Alu W/(m²k) | Fenster Uw-WertIsolierglas-Randverbund KSD W/(m²k) |
|---|---|---|---|
| 1,1 | 1,5 | 1,4 | 1,3 |
| 1,0 | 1,5 | 1,3 | 1,2 |
| 0,7 | 1,5 | 1,2 | 1,1 |
| 0,6 | 1,5 | 1,1 | 1,0 |
| Glas Ug-Wert W/(m²k) | Rahmen Uf-Wert W/(m²k) | Fenster Uw-WertIsolierglas-Randverbund Alu W/(m²k) | Fenster Uw-WertIsolierglas-Randverbund KSD W/(m²k) |
|---|---|---|---|
| 1,1 | 1,2 | 1,3 | 1,2 |
| 1,0 | 1,2 | 1,2 | 1,2 |
| 0,7 | 1,2 | 1,1 | 1,0 (0,97) |
| 0,6 | 1,2 | 1,0 (0,99) | 0,9 (0,91) |
| Glas Ug-Wert W/(m²k) | Rahmen Uf-Wert W/(m²k) | Fenster Uw-WertIsolierglas-Randverbund Alu W/(m²k) | Fenster Uw-WertIsolierglas-Randverbund KSD W/(m²k) |
|---|---|---|---|
| 1,1 | 1,1 | 1,3 | 1,2 |
| 1,0 | 1,1 | 1,2 | 1,1 |
| 0,7 | 1,1 | 1,0 | 0,9 (0,93) |
| 0,6 | 1,1 | 1,0 (0,95) | 0,9 (0,87) |

Classic IV 78 - Profilschnitt

Rustikal IV 78 - Profilschnitt
| Glas Ug-Wert W/(m²k) | Rahmen Uf-Wert W/(m²k) | Fenster Uw-WertIsolierglas-Randverbund Alu W/(m²k) | Fenster Uw-WertIsolierglas-Randverbund Swisspacer Ultimate W/(m²k) |
|---|---|---|---|
| 1,1 | 1,5 | In diesem System nicht möglich. | In diesem System nicht möglich. |
| 1,0 | 1,5 | In diesem System nicht möglich. | In diesem System nicht möglich. |
| 0,7 | 1,5 | 1,09 | 0,96 |
| 0,6 | 1,5 | 1,02 | 0,89 |
| 0,5 | 1,5 | 0,95 | 0,83 |
| Glas Ug-Wert W/(m²k) | Rahmen Uf-Wert W/(m²k) | Fenster Uw-WertIsolierglas-Randverbund Alu W/(m²k) | Fenster Uw-WertIsolierglas-Randverbund Swisspacer Ultimate W/(m²k) |
|---|---|---|---|
| 1,1 | 1,2 | In diesem System nicht möglich. | In diesem System nicht möglich. |
| 1,0 | 1,2 | In diesem System nicht möglich. | In diesem System nicht möglich. |
| 0,7 | 1,2 | 1,02 | 0,89 |
| 0,6 | 1,2 | 0,95 | 0,82 |
| 0,5 | 1,2 | 0,88 | 0,75 |
| Glas Ug-Wert W/(m²k) | Rahmen Uf-Wert W/(m²k) | Fenster Uw-WertIsolierglas-Randverbund Alu W/(m²k) | Fenster Uw-WertIsolierglas-Randverbund Swisspacer Ultimate W/(m²k) |
|---|---|---|---|
| 1,1 | 1,1 | In diesem System nicht möglich. | In diesem System nicht möglich. |
| 1,0 | 1,1 | In diesem System nicht möglich. | In diesem System nicht möglich. |
| 0,7 | 1,1 | 1,02 | 0,89 |
| 0,6 | 1,1 | 0,95 | 0,82 |
| 0,5 | 1,1 | 0,88 | 0,75 |

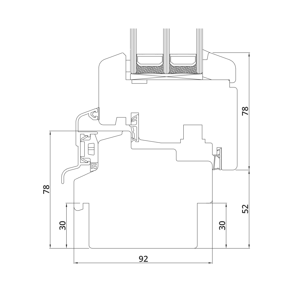
Classic IV 92 - Profilschnitt

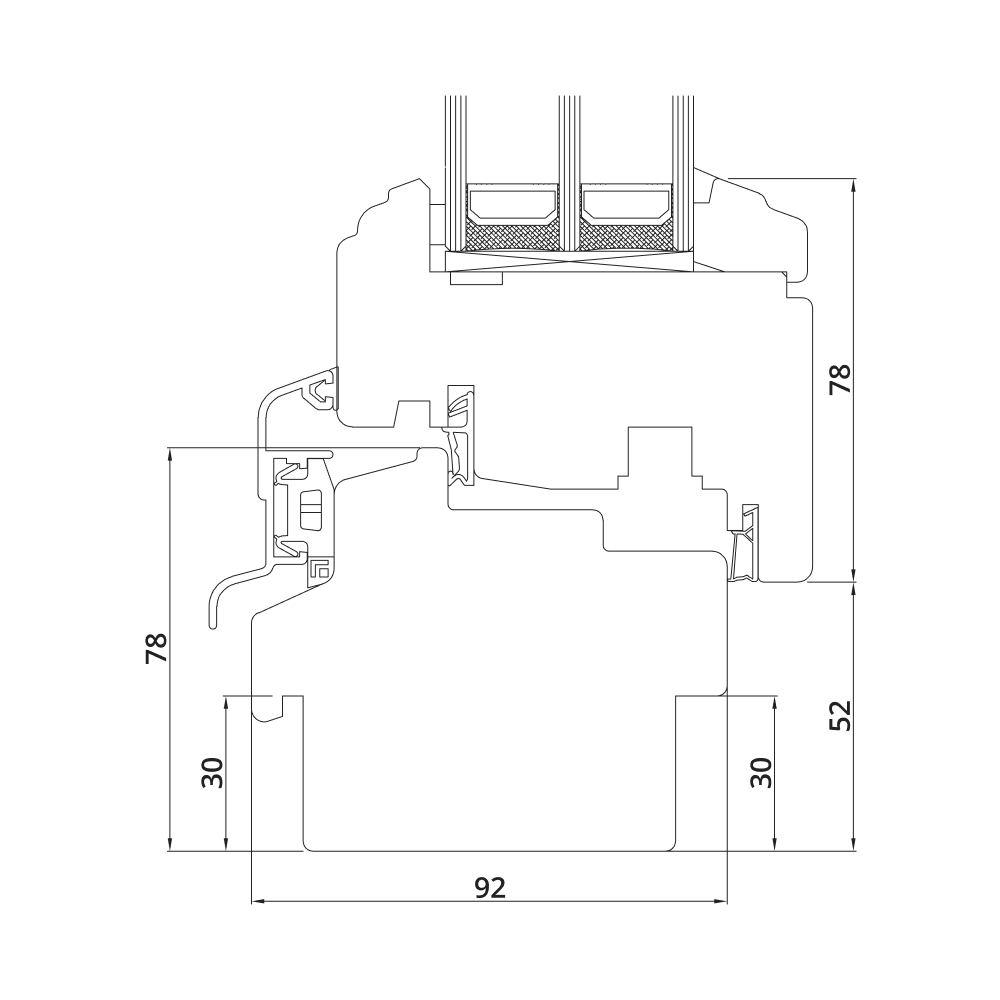
Rustikal IV 92 - Profilschnitt
Bei einem Fenster aus Holz berechnen sich Uw-Werte aus den einzelnen U-Werten von Fensterrahmen und Verglasung sowie dem Wärmeverlust am Glasrand. Bei der Berechnung wird aufgrund der Vergleichbarkeit meist die Standard-Fenstergröße 1230 x 1480 mm verwendet, grundsätzlich kann man jedoch davon ausgehen, dass eine größere Fläche zu einem niedrigeren Wert führt.
Mit einem thermisch getrennten Randverbund am Isolierglas – der sogenannten „Warmen Kante“ – wird die Wärmedämmung der gesamten Tür weiter verbessert.
Die Wärmedurchgangskoeffizienten eines Fensters aus Holz entscheiden darüber, ob ein Fenster als passivhaustauglich eingestuft werden kann. Die Energieeinsparung schont nicht nur die Umwelt, sondern macht sich auch prompt auf dem Konto bemerkbar.
Der Unterschied zwischen einem Uw-Wert von 3,5 und einem Wert von 0,83 kann bei einer Fläche von 30 m² bereits einen Unterschied von über 1000 Litern Heizöl im Jahr ausmachen.